$34.17 USD
Price without taxes
$28.24 USD
Out of stock
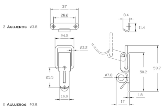
Tirador AF-TRCINOX
Descripción
- Material: AISI304




